Word productspecialist installatietechniek!
Home/ Helpdesk/ Video's/

Video's

Adomi

pluvia-poster.png
Automatisch uitwerken van Geberit Pluvia
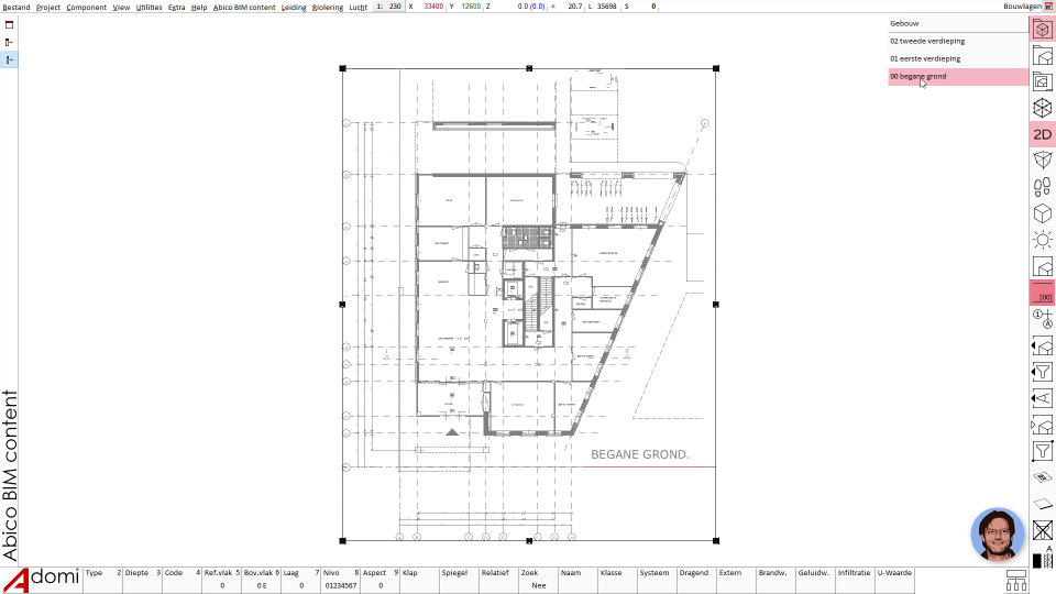
bouwlagen-in-adomi.png
Bouwlagen in Adomi
prefab-poster.png
Prefab in Adomi
vvw-poster.png
Vloerverwarming ontwerpen
dynamische-labels-in-adomi.png
Dynamische labels in Adomi
productlijn-rioleringstelsel-wijzigen.png
Productlijn rioleringstelsel wijziging
stelsels-dimensioneren-poster.png
Rioleringstelsels ontwerpen
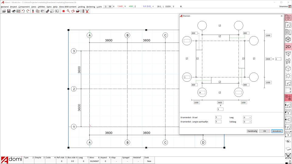
stramienfunctie.png
Stramienfunctie
bouwlagen-en-2d-plattegronden.png
Bouwlagen en 2D plattegronden
tekststijl-aanmaken-1660554193.png
Tekststijl aanmaken
correctiestijl-aanmaken.png
Correctiestijl aanmaken
kleurstijl-aanmaken.png
Kleurstijl aanmaken
lijnstijl-aanmaken.png
Lijnstijl aanmaken
materiaalstijl-aanmaken.png
Materiaalstijl aanmaken
schaalstijl-aanmaken.png
Schaalstijl aanmaken
visualisatiestijl-aanmaken.png
Visualisatiestijl aanmaken
vlakstijl-aanmaken.png
Vlakstijl aanmaken
screenshot-2022-12-16-at-18.31.31.png
Materialen beheren in Adomi
screenshot-2022-12-16-at-18.36.27-1671216393.png
Materialenbibliotheek in Adomi
waterstelsel-ontwerpen.png
Waterstelsels ontwerpen
poster-isso55-rekenregels.png
Waterstelsels dimensioneren met de ISSO 55 rekenregels
poster-adomi-2024-webinar.png
Webinar Adomi 2024 (met ondertiteling)
poster-adomi-2024-webinar.png
Webinar Adomi 2024
elektra-schema-adomi.png
Elektra in Adomi

Areddo

poster-areddo-3-7.png
New in Areddo 3.7